• ›
·
站内公告(gao):

> 當前位(wei)置:首(shou)頁-産品展(zhǎn)示-止回閥(fa)
2025-12-06 點擊量(liàng):1203

【産品介(jie)紹】

【性能(neng)參數】
300X緩閉(bi)止回閥公(gōng)稱通徑大(dà)小:DN20、DN25、DN32、DN40、DN50、DN65、DN80、DN100、DN125、DN150、DN200、DN250、DN300、DN350、DN400、DN450、DN500、DN600等。
300X緩閉(bi)止回閥公(gong)稱壓力大(da)小:PN10、PN16以及PN25;
【工(gōng)作原理】

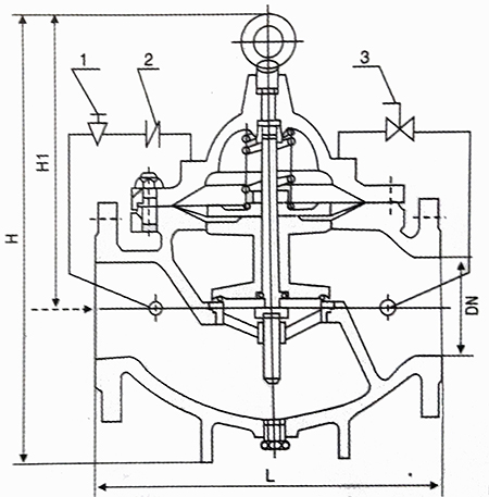
【結構示意(yì)圖】

圖(tu)中标注數(shu)字注釋:1表(biǎo)示針形閥(fa),2表示止回(hui)閥,3表示小(xiao)⭐球閥。
【安裝(zhuāng)示意圖】

【主要外(wài)形尺寸】
| DN | L | A1 | A | H1 | H | F |
| 20 | 150 | 200 | 282 | 106 | 172 | 116 |
| 25 | 160 | 200 | 282 | 106 | 172 | 116 |
| 32 | 180 | 200 | 282 | 106 | 172 | 116 |
| 40 | 200 | 210 | 320 | 137 | 225 | 168 |
| 50 | 220 | 210 | 320 | 137 | 225 | 168 |
| 65 | 240 | 215 | 330 | 145 | 270 | 180 |
| 80 | 260 | 220 | 330 | 178 | 289 | 210 |
| 100 | 295 | 230 | 410 | 232 | 375 | 284 |
| 125 | 330 | 245 | 420 | 286 | 420 | 310 |
| 150 | 350 | 260 | 420 | 318 | 450 | 370 |
| 200 | 400 | 280 | 430 | 413 | 722 | 463 |
| 250 | 475 | 300 | 450 | 502 | 769 | 525 |
| 300 | 550 | 320 | 460 | 600 | 906 | 625 |
| 350 | 620 | 340 | 470 | 628 | 1480 | 705 |
| 400 | 700 | 360 | 480 | 677 | 1027 | 778 |
| 450 | 750 | 360 | 480 | 677 | 1027 | 778 |
| 500 | 800 | 410 | 780 | 750 | 1110 | 690 |
| 600 | 900 | 456 | 888 | 850 | 1286 | 785 |
ink
·
•
•·